Mesenchyme (preparation)
Overview[edit | edit source]
Preparation 1[edit | edit source]
Name: Mesenchyme - limb bud
Description: Purple tissue - limb bud. On the surface there is a single-layered cubic epithelium (ectoderm), inside mesenchyme - very cellular embryonic tissue. The blue entity is a pad that is used for handling tissue during histological processing.
Preparation 3[edit | edit source]
Name: Mesenchyme - limb bud
Description: Mesenchymal cells are small, star-shaped cells with a relatively large nucleus and less extensive cytoplasm (see EM atlas). Although mesenchyme contains a large number of cells and little intercellular matter, we classify it as connective tissue (embryonic tissue). Mesenchymal cells do not have intercellular contacts like epithelial cells, but adhesive connections to components of the extracellular matrix.
Preparation 4[edit | edit source]
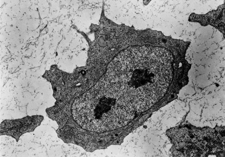
Name: Mesenchymal cell
Description: A mesenchymal cell contains a large bright nucleus with two nucleoli. Cytoplasm forms only a narrow rim around the nucleus. It mainly contains ribosomes, there are only a few membrane organelles (GER). In the cell, we also see the centriole and mitochondria.
Binders[edit | edit source]
- Mesenchyme (preparation)
- Umbilical cord (preparation)
- Aorta (preparation)
- Brown fat (preparation)
- White fat (preparation)
- Tendon (preparation)
- Articular cartilage (preparation)
- Epiglottis (preparation)
- Desmogenous ossification (preparation)
- Enchondral ossification (preparation)
- Lamellar bone (preparation)

